close
Menú
Marca
ALFA ROMEO
AUDI
BMW
CHEVROLET
CHRYSLER
CITROËN
DACIA
DAEWOO
DS
FIAT
FORD
HONDA
HYUNDAI
ISUZU
IVECO
KIA
LAND ROVER
LEXUS
MAZDA
MERCEDES-BENZ
MINI
MITSUBISHI
NISSAN
OPEL
PEUGEOT
RENAULT
SEAT
SKODA
SMART
SSANGYONG
SUBARU
SUZUKI
TOYOTA
VOLVO
VW
ASTON MARTIN
BENTLEY
BUGATTI
CADILLAC
DAF
DODGE
FERRARI
HUMMER
INFINITI
JAGUAR
JEEP
LADA
LANCIA
MASERATI
MG
PONTIAC
PORSCHE
ROLLS-ROYCE
ROVER
SAAB
TATA
TESLA
Modelo
Año
Motor
Seleccionar modelo
Mi garaje
Mi garaje
Empty
Mi garaje
Mi garaje
Empty

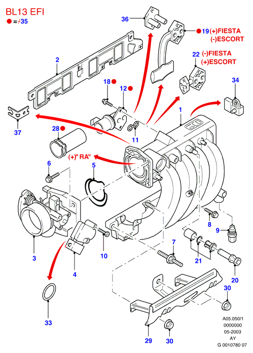
FORD 1032098 - Sensor, posición mariposa

FORD 1032098 - Sensor, posición mariposa vegaparts.es
Scheme
Scheme
Scheme
Scheme
  • Sensor, posición mariposa
  • Sensor de posición del acelerador (sistema de admisión) Informa el ángulo de apertura del acelerador a la ECU para control de combustible, encendido y ralentí.
  • Fuel injection system/inlet manifld: 1 Pieza
  • O Ring
  • HCS 1.3 EFI
  • Bush
  • Fiesta 89/94/96/Escort 91/93/94/95
  • Throttle housing, zetec 1.7 dohc efi: 1 Pieza
  • Spacer - Bush
  • Puma 1997-2001, Zetec 1.7 EFI
  • FORD, 1032098, Sensor, posición mariposa, De Fuera de stock
Mas informacion ▼
Fuera de stock
Se aplica al modelo
Opiniones (0)
Sin información
Modelo, Año
Seleccionar marca
Motor
Seleccionar modelo
Análogos y kits
Filtros
Fabricante

Talosa 1
Bienes: 1

Barra oscilante, suspensión de ruedas

Barra oscilante, suspensión de ruedas

Lado de la instalación:
En frente A la derecha
Lado de montaje: Eje delantero, derecha
Peso: 2.929183 kg
Material: Chapa de acero
Tipo de dirección:
Brazo oscilante transversal
Equipamiento de vehículo:
para vehículos sin dirección asistida
Referencia artículo par: 40-09213
63,95
-
+
Al carrito